Interface I/O pour ampli/DSP/BT
Re: Interface I/O pour ampli/DSP/BT
https://www.seeedstudio.com/Seeeduino-X ... -4426.html
Petit uC peut être plus pulgnplay avec arduino IDE
TODO :
- test GPIO en output pour signal détect
- test mux avec 3V3 et 0V : voir pour changer l'ADC en input ? => Pgm sigma studio a modifier ?
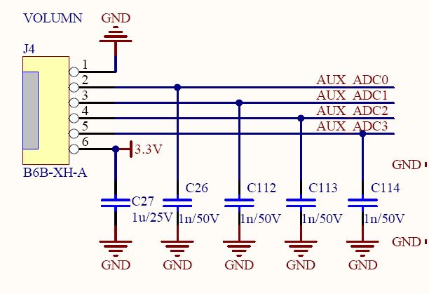
- utiliser les potentiomètres en stock : virer du PCB
Possible d'alimenter uniquement le DSP via le port USBi, mais pas le module BT
Petit uC peut être plus pulgnplay avec arduino IDE
TODO :
- test GPIO en output pour signal détect
- test mux avec 3V3 et 0V : voir pour changer l'ADC en input ? => Pgm sigma studio a modifier ?
- utiliser les potentiomètres en stock : virer du PCB
Possible d'alimenter uniquement le DSP via le port USBi, mais pas le module BT
Re: Interface I/O pour ampli/DSP/BT
gros plan module ampli
- thierryvalk
- Administrateur du site
- Messages : 3800
- Enregistré le : jeu. 9 juil. 2015 20:08
- Localisation : Belgique
Re: Interface I/O pour ampli/DSP/BT
Je vois un petit soucis potentiel si tu utilises une Gpio oen output.
il semble y avoir une petite capa sur chaque ligne, en entrée elle ne fait pas de mal mais en sortie c’est pas top.
Dommage de ne pas avoir de schéma de la carte.
il semble y avoir une petite capa sur chaque ligne, en entrée elle ne fait pas de mal mais en sortie c’est pas top.
Dommage de ne pas avoir de schéma de la carte.
Re: Interface I/O pour ampli/DSP/BT
Possible de remplacer par une R 0 Ohm.
On voit aussi qu'il est possible de commander le mute et stby des amplis.
Et ça pourrait être commandé directement par le DSP.
ça veux dire que le module BT et le DSPiy seraient constamment ON, je sais pas si c'est bien bon.
A voir aussi s'il on peut mettre une tempo de X minutes dans sigma studio sans que ça prenne trop place en mémoire ?
Sur le DSPiy c'est géré par l'uC j'imagine
https://ez.analog.com/dsp/sigmadsp/w/do ... -goes-away
On voit aussi qu'il est possible de commander le mute et stby des amplis.
Et ça pourrait être commandé directement par le DSP.
ça veux dire que le module BT et le DSPiy seraient constamment ON, je sais pas si c'est bien bon.
A voir aussi s'il on peut mettre une tempo de X minutes dans sigma studio sans que ça prenne trop place en mémoire ?
Sur le DSPiy c'est géré par l'uC j'imagine
https://ez.analog.com/dsp/sigmadsp/w/do ... -goes-away
Re: Interface I/O pour ampli/DSP/BT
A chaud ça me parait quand même parfait.
Je programme tout dans sigma studio et ça me permet
- de commander le standby les amplis s'il y a du signal ou pas
- gérer entrée sym/asym
- volume global
- BP : désactiver le STBY : raz de la tempo
j'ai déja mal au crane pour faire le programme sigma studio

Je programme tout dans sigma studio et ça me permet
- de commander le standby les amplis s'il y a du signal ou pas
- gérer entrée sym/asym
- volume global
- BP : désactiver le STBY : raz de la tempo
j'ai déja mal au crane pour faire le programme sigma studio

- thierryvalk
- Administrateur du site
- Messages : 3800
- Enregistré le : jeu. 9 juil. 2015 20:08
- Localisation : Belgique
Re: Interface I/O pour ampli/DSP/BT
Possible de remplacer par une R 0 Ohm.
Non, juste enlever la capa.
Sur le DSPiy c'est géré par l'uC j'imagine
Oui.
ça veux dire que le module BT et le DSPiy seraient constamment ON, je sais pas si c'est bien bon.
DSP et non DSPiy, je présume, c'est pas un drame mais pas top niveau conso. Pour le BT c'est pas pratique car il serra visible sans savoir s'il peut ou non transmettre du son.
Re: Interface I/O pour ampli/DSP/BT
Non, juste enlever la capa.
Evidement
c'est, une capa DSP et non DSPiy, je présume, c'est pas un drame mais pas top niveau conso. Pour le BT c'est pas pratique car il serra visible sans savoir s'il peut ou non transmettre du son.
Oui DSP.
Si la fonction signal detect fonctionne nickel, il y a pas même pas besoin de bouton ON ( bien régler le treshold avec le bruit de fond ana)
On met du son et ça allume les amplis.
Reste plus qu'as mettre une petite led en façade pour indiquer que les ampli sont ON.
Re: Interface I/O pour ampli/DSP/BT
Pas le temps d'expérimenter avec le module
En attendant : comment qu'elle marche la fonction standby du TDA ?
https://www.st.com/resource/en/datasheet/tda7498e.pdf
On dirais bien qu'il faut put STBY to the ground pour mettre OFF.
Par contre le "X" sur mute j'ai pas compris.
ça sent l'optocoupleur à plein nez pour que le DSP puisse piloter le STBY
Il y avais longtemps
En attendant : comment qu'elle marche la fonction standby du TDA ?
https://www.st.com/resource/en/datasheet/tda7498e.pdf
On dirais bien qu'il faut put STBY to the ground pour mettre OFF.
Par contre le "X" sur mute j'ai pas compris.
ça sent l'optocoupleur à plein nez pour que le DSP puisse piloter le STBY

Il y avais longtemps
- thierryvalk
- Administrateur du site
- Messages : 3800
- Enregistré le : jeu. 9 juil. 2015 20:08
- Localisation : Belgique
Re: Interface I/O pour ampli/DSP/BT
C’est simple.
Si STBY au 0V alors l’ampli est en Standby et cela quelque soit le niveau du Mute. En fait le Mute n’a pas d’importance dans ce cas vu que pas de son.
On est avec du 3V3, l’opto n’est pas indispensable.
Si STBY au 0V alors l’ampli est en Standby et cela quelque soit le niveau du Mute. En fait le Mute n’a pas d’importance dans ce cas vu que pas de son.
On est avec du 3V3, l’opto n’est pas indispensable.
Re: Interface I/O pour ampli/DSP/BT
OK
Sur la carte actuellement le STBY est au 3v3. très certainement grâce un pull up externe (si j'ai bien retenu mes leçons).
Je dispose en physique de 2 picots pour mettre cette pin au GND via JollyJumper .
ça doit ressembler à ça :
Sauf que dans la vrai vie ça doit pas marcher comme ça (?)
Mettre la GPIO en output (Low) c'est facile mais comment je remet l'ampli ON ?
Que se passe t-il au démarrage s'il y a du 3v3 qui "sort" de la GPIO ?
D'où l'idée de mettre un interrupteur aux bornes de JP1
Sur la carte actuellement le STBY est au 3v3. très certainement grâce un pull up externe (si j'ai bien retenu mes leçons).
Je dispose en physique de 2 picots pour mettre cette pin au GND via JollyJumper .
ça doit ressembler à ça :
Sauf que dans la vrai vie ça doit pas marcher comme ça (?)
Mettre la GPIO en output (Low) c'est facile mais comment je remet l'ampli ON ?
Que se passe t-il au démarrage s'il y a du 3v3 qui "sort" de la GPIO ?
D'où l'idée de mettre un interrupteur aux bornes de JP1
- thierryvalk
- Administrateur du site
- Messages : 3800
- Enregistré le : jeu. 9 juil. 2015 20:08
- Localisation : Belgique
Re: Interface I/O pour ampli/DSP/BT
Le problème est toujours le même, pas de schéma de la carte ampli.
S'ils ont repris le schéma de la datasheet en rajoutant un PullUp, il n'y a pas de soucis à première vue.
R2 + C7 créent une temporisation.
Pour la GPIO, normalement, tant qu'elle n'est pas configurée elle est "volante".
Avec ton transistor, il ne devrait pas commuter. Mais le mieux est alors de rajouter un Pull-down sur la GPIO.
En fait ton transistor n'est pas vraiment nécessaire, il suffit de configurer la GPIO en collecteur ouvert.
Mais il faut espérer que R2 existe, j'ai tout de même peur que cette R2 serve de Pull-Up. Dans ce cas le transistor ou GPIO va commuter une charge capacitive.
Petit schéma.
Si le schéma est le 1, alors ok.
Si c'est le 2 le transistor va commuter directement C7, pas top lorsque le condensateur est chargé, le courant étant très grand.
Il faut alors rajouter une résistance R pour passer au schéma 3.
Reste que R et R2 forment un diviseur de tension. Il faut que lorsque le transistor est "ON", la tension de ce diviseur soit inférieur à 0.5V.
S'ils ont repris le schéma de la datasheet en rajoutant un PullUp, il n'y a pas de soucis à première vue.
R2 + C7 créent une temporisation.
Pour la GPIO, normalement, tant qu'elle n'est pas configurée elle est "volante".
Avec ton transistor, il ne devrait pas commuter. Mais le mieux est alors de rajouter un Pull-down sur la GPIO.
En fait ton transistor n'est pas vraiment nécessaire, il suffit de configurer la GPIO en collecteur ouvert.
Mais il faut espérer que R2 existe, j'ai tout de même peur que cette R2 serve de Pull-Up. Dans ce cas le transistor ou GPIO va commuter une charge capacitive.
Petit schéma.
Si le schéma est le 1, alors ok.
Si c'est le 2 le transistor va commuter directement C7, pas top lorsque le condensateur est chargé, le courant étant très grand.
Il faut alors rajouter une résistance R pour passer au schéma 3.
Reste que R et R2 forment un diviseur de tension. Il faut que lorsque le transistor est "ON", la tension de ce diviseur soit inférieur à 0.5V.
Re: Interface I/O pour ampli/DSP/BT
Merci Thierry pour ce schéma, je comprend la problématique.
Je leurs ai demandé par mail la partie du schéma qui traite cette partie standby et aussi les GPIO du DSP.
Pas le schéma complet, j'ai pas osé
Je leurs ai demandé par mail la partie du schéma qui traite cette partie standby et aussi les GPIO du DSP.
Pas le schéma complet, j'ai pas osé

Re: Interface I/O pour ampli/DSP/BT
Doc reçu , merci à eux le service client est top.
Déja les capa sur les GPIO du DSP :
Ensuite le schéma du stby :
Dans le mail ils me disent que c'est l'ampli V1, mais que le circuit est identique sur la V2.
C'est bizarre, il est écris NO BOM sur R83 et C108 et je ne vois pas les pins présents sur le PCB.
En attendant il semble bien y a voir une R de pullup en +
Déja les capa sur les GPIO du DSP :
Ensuite le schéma du stby :
Dans le mail ils me disent que c'est l'ampli V1, mais que le circuit est identique sur la V2.
C'est bizarre, il est écris NO BOM sur R83 et C108 et je ne vois pas les pins présents sur le PCB.
En attendant il semble bien y a voir une R de pullup en +
- thierryvalk
- Administrateur du site
- Messages : 3800
- Enregistré le : jeu. 9 juil. 2015 20:08
- Localisation : Belgique
Re: Interface I/O pour ampli/DSP/BT
En fait non, il y a une astuce.
La carte dispose d'un MAX708ESA qui va créer une tempo à la mise sous tension et est connecté justement à ce Standby.
Son intérêt est aussi de surveiller l'alimentation et de mettre directement l'ampli en Standby lorsqu'elle se coupe. C'est une bonne méthode anti-plocs.
Donc R83 et C108 ne sont pas utiles et c'est bien.
Il te suffit de configurer la GPIO en collecteur ouvert,c'est très important, et de la connecter au Standby.
La carte dispose d'un MAX708ESA qui va créer une tempo à la mise sous tension et est connecté justement à ce Standby.
Son intérêt est aussi de surveiller l'alimentation et de mettre directement l'ampli en Standby lorsqu'elle se coupe. C'est une bonne méthode anti-plocs.
Donc R83 et C108 ne sont pas utiles et c'est bien.
Il te suffit de configurer la GPIO en collecteur ouvert,c'est très important, et de la connecter au Standby.
Re: Interface I/O pour ampli/DSP/BT
encore une nouvelle bestiole
Okeyy je viens de voir
il faut jongler entre les pages.
Sortie du MAX708 on a NRESET_708 qui pilote le standby des deux TDA.
Top !
Plus qu'a essayer Signal detect dans sigma studio, et voir comment rajouter une tempo de x minutes.
Okeyy je viens de voir
il faut jongler entre les pages. Sortie du MAX708 on a NRESET_708 qui pilote le standby des deux TDA.
Top !
Plus qu'a essayer Signal detect dans sigma studio, et voir comment rajouter une tempo de x minutes.
Re: Interface I/O pour ampli/DSP/BT
Finition comme les grands
Re: Interface I/O pour ampli/DSP/BT
Toujours rien Thierry ?
- thierryvalk
- Administrateur du site
- Messages : 3800
- Enregistré le : jeu. 9 juil. 2015 20:08
- Localisation : Belgique
Re: Interface I/O pour ampli/DSP/BT
Suffit de demander.
Pour moi, oui, mais je suis étonné qu’Alain n’ait pas fait de remarque sur les tranches de multiplex visibles.
bon la photo doit renforcer cet aspect.
Sinon, il manque des vis
Mais, et surtout, beau projet.
Pour moi, oui, mais je suis étonné qu’Alain n’ait pas fait de remarque sur les tranches de multiplex visibles.
bon la photo doit renforcer cet aspect.Sinon, il manque des vis
Mais, et surtout, beau projet.

Retourner vers « DSPiy général »
Qui est en ligne
Utilisateurs parcourant ce forum : Aucun utilisateur enregistré et 8 invités