on attend tous ça : une finale France-Belgique. Ce serait géantthierryvalk a écrit :C'est le stock "France", il y a aussi le stock "Belgique" gagnant.

on attend tous ça : une finale France-Belgique. Ce serait géantthierryvalk a écrit :C'est le stock "France", il y a aussi le stock "Belgique" gagnant.



![Dan.San :]](./images/smilies/8.gif)
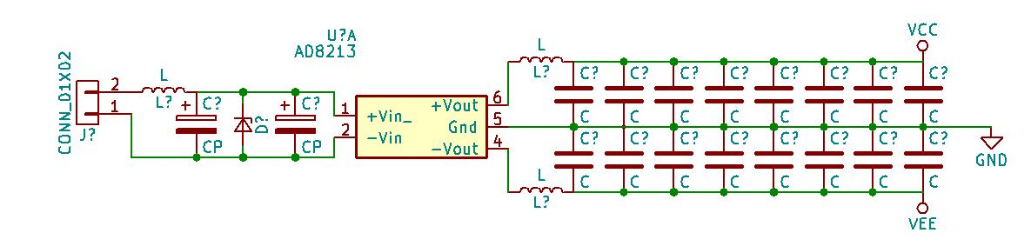
thierryvalk a écrit :Pour moi, c'est mieux de mettre les capas au niveau de l'ampli.
La valeur va justement dépendre de l'impédance d'entrée de l'ampli.


thierryvalk a écrit :La datasheet dit :
Parenthèse sur les céramiques CMS, il y a pour le moment, et prévu pour un bon moment, pénurie mondiale de production.
J'ai reçu pour des simple 1µF Murata un délais de 130 semaines.


Retourner vers « DSPiy général »
Utilisateurs parcourant ce forum : Aucun utilisateur enregistré et 8 invités