Page 1 sur 2
DSPIY symétrique et TPA3255
Posté : sam. 26 déc. 2020 02:35
par guyome
Bonjour tlm,
Tout d'abord, un très beau Noël à tous
Ensuite, question : j'ai un DSPIY v2 avec sorties symétriques by Alka - je veux le brancher sur un TPA3255 version B de chez 3e audio :
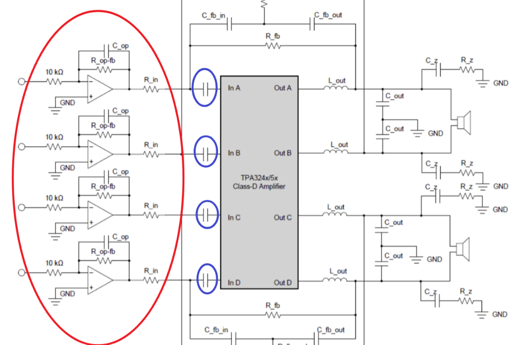
http://www.3e-audio.com/amplifier-kits/ ... -2ch-260w/ Est-ce que je peux bypasser l'étage d'entrée sur les modules TPA3255 :
http://www.3e-audio.com/wp-content/uplo ... d-V0.2.pdf ? C'est à dire bypasser la partie encerclée en rouge :
Si oui, est-ce que je peux également supprimer les condensateurs d'entrée (encerclés en bleue) et les remplacer par deux transformateurs 10k:10k ?
Merci !
Guillaume
Re: DSPIY symétrique et TPA3255
Posté : sam. 26 déc. 2020 14:58
par thierryvalk
Bonjour et bon Noël,
Les capas de liaison sont toujours utiles, suffit d'un petit courant de bias et ton transfo fonctionnerait beaucoup moins bien.
Le buffer d'entrée permet, entre-autres, d'avoir un filtre passe-bas très utile pour la HF lorsque l'on a du digital dans les environs, SMPS, ampli classe-D....
Re: DSPIY symétrique et TPA3255
Posté : sam. 26 déc. 2020 15:23
par guyome
Merci Thierry pour ta réponse.
Donc, c'est possible mais tu ne me le conseilles pas

Re: DSPIY symétrique et TPA3255
Posté : sam. 26 déc. 2020 15:31
par thierryvalk
En fait c'est même pas possible de suprimer les capas de liaison.
La tension des entrées est de -0.3V à +7V, il y donc bien un bias vers 3.5V
Re: DSPIY symétrique et TPA3255
Posté : sam. 26 déc. 2020 15:48
par guyome
Les capas de liaison et les résistances d'entrée sont nécessaires avec la version PFFB - il faudrait donc supprimer la partie PFFB pour pouvoir supprimer tout ça

Re: DSPIY symétrique et TPA3255
Posté : sam. 26 déc. 2020 15:58
par guyome
Merci encore Thierry !
Re: DSPIY symétrique et TPA3255
Posté : sam. 26 déc. 2020 16:21
par thierryvalk
Non, la résistance et AOP sont obligatoire pour le PFFB.
Les capas de liaison sont elles toujours obligatoires vu ton signal analogique est centré sur le 0V alors que le TPA qui ne fonctionne qu'avec un seul rail d’alimentation va relevé tout ce signal de 3.5V (ou valeur proche de 3.5V)
Re: DSPIY symétrique et TPA3255
Posté : sam. 26 déc. 2020 16:58
par guyome
Donc je peux bypasser l'étage d'entrée en ne gardant que les capas de liaison, et en désactivant la partie "PFFB" ?
Re: DSPIY symétrique et TPA3255
Posté : sam. 26 déc. 2020 18:05
par thierryvalk
Oui, mais en rajoutant un petit RC pour la HF.
De mon avis tout personnel, c'est pas rentable.
Re: DSPIY symétrique et TPA3255
Posté : sam. 26 déc. 2020 18:06
par guyome
Merci Thierry. Pour info, quel RC pourrais-je utiliser ?
Re: DSPIY symétrique et TPA3255
Posté : sam. 26 déc. 2020 18:11
par guyome
100R / 100pF ?
Re: DSPIY symétrique et TPA3255
Posté : sam. 26 déc. 2020 21:33
par thierryvalk
Là je bloque, faut demander à Alain, il y a du calcul ... tout comme l'adaptation d'impédance du transfo.
Re: DSPIY symétrique et TPA3255
Posté : mar. 29 déc. 2020 16:19
par alka
oulà... fallait me demander ça en 2018. J'ai tout oublié
La seule chose que je sais en HF, c'est qu'on fait plein de calculs et a la fin le résultat ne parait pas correct à "l'expert du labo". Alors on prend les mêmes valeurs que d’habitude
Tout ça pour dire que ne n'en sais fichtrement rien. Je dirai au minimum filtrer comme fait TI autour des aops d'entrée.
C'est intéressant parce que j'étais au départ (quasi) dans la même situation : un dspiy, une carte de symétrisation et un ampli TPA3251 multivoies le tout dans la même boite.
J'ai zappé la carte de symétrisation et fait confiance à la symétrisation embarquée sur la carte sans rien y toucher et j'ai bien fait. C'est simple, prend moins de place et tout aussi efficace.
Re: DSPIY symétrique et TPA3255
Posté : mar. 29 déc. 2020 18:31
par guyome
alka a écrit :oulà... fallait me demander ça en 2018. J'ai tout oublié
La seule chose que je sais en HF, c'est qu'on fait plein de calculs et a la fin le résultat ne parait pas correct à "l'expert du labo". Alors on prend les mêmes valeurs que d’habitude
Tout ça pour dire que ne n'en sais fichtrement rien. Je dirai au minimum filtrer comme fait TI autour des aops d'entrée.
100R / 100pF alors
alka a écrit :C'est intéressant parce que j'étais au départ (quasi) dans la même situation : un dspiy, une carte de symétrisation et un ampli TPA3251 multivoies le tout dans la même boite.
J'ai zappé la carte de symétrisation et fait confiance à la symétrisation embarquée sur la carte sans rien y toucher et j'ai bien fait. C'est simple, prend moins de place et tout aussi efficace.
Mais c'est génial

- merci Alain ! Bon, j'y mettrai surement un LM4562 de chez Mouser à la place du NE5532 fake

Re: DSPIY symétrique et TPA3255
Posté : jeu. 31 déc. 2020 14:47
par alka
je n'avais pas bien regardé cette version de l'ampli. Je vois que 3e-audio a cédé aux sirènes du tweaking d'ampli !
Sur ma carte, les AOP sont des JRC 4580 (soudés) qui sont déjà plutôt bien et plus modernes que NE5532. Aucune raison de penser que ce sont des fakes.
Pour les capas : sur ma carte, ce sont celles utilisées par TI et Thierry aussi pour son ampli-TPA-ultime, des 10µ pana fck1. A la mesure, c'était ce qu'on fait de mieux et rien a envier aux versions "audio" genre elna silmilc2.
viewtopic.php?p=5988#p5988L'ampli mérite d’être écouté en l'état avant de tenter des modifs.
Pour le principe je veux juste rappeler que remplacer un AOP par un autre, même plus performant sur le papier, peut avoir des effets secondaires étonnants. Un vieux post diyaudio
https://www.diyaudio.com/forums/analog- ... avent.htmlToujours vérifier comment l'AOP est mis en ouvre avant de switcher par un autre.
Re: DSPIY symétrique et TPA3255
Posté : ven. 1 janv. 2021 00:24
par guyome
Pas trouvé les Pana FCK1 - mais FK1 oui...
Re: DSPIY symétrique et TPA3255
Posté : ven. 1 janv. 2021 10:58
par alka
guyome a écrit :Pas trouvé les Pana FCK1 - mais FK1 oui...
il me semble que ce sont les même. L'une est la version traversante et l'autre en CMS.
Re: DSPIY symétrique et TPA3255
Posté : dim. 16 mai 2021 15:14
par guyome
Bonjour tlm,
En condo de liaison, puis-je mettre 2 condos fk1 tête bêche de 4,7uf pour faire un condo NP de 2,35uf ?
Merci
