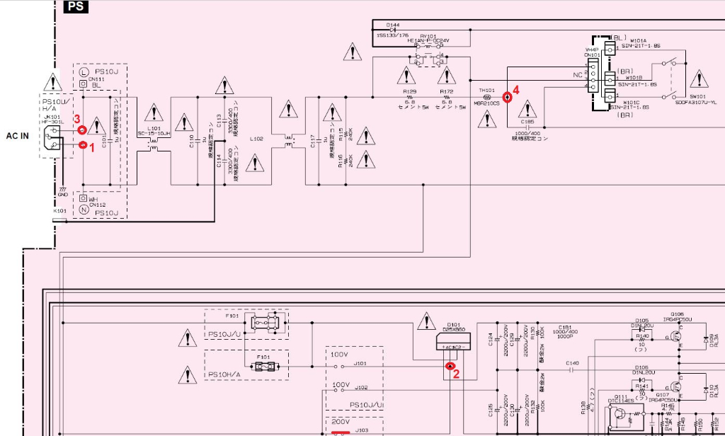
J'essaie de réparer un ampli Yamaha PC9500N. Le service manual est dispo ici : https://www.manualslib.com/download/126 ... 4800n.html
J'ai désossé la bête : interrupteur OK, 230V OK, fusibles OK mais pas de tension en sortie que ce soit pour le canal droite ou le gauche (double alim SMSPS). Ce serait donc un problème en amont des 2 SMPS.
Je sais que la logique voudrait que je vérifie chaque composants depuis l'entrée 230V (les 2 selfs en entrée OK
) mais si vous voyez dans le schéma un composant connu pour sa fragilité, cela m'aiderait beaucoup ! J'ai bien un gros relais 24V qui bourdonne quand l'ampli est connecté au secteur, et qui ne "claque" pas au démarrage, mais bon
Merci,
Guillaume

)

. Je vérifie la partie régulation +5V / + 15V ? A noter que je n'ai toujours aucune tension aux entrées des cartes ampli...