Ampli TPAdiy [Classe-D TPA3251D2 ou 3255D2]

Discutions générales sur le DSPiy et tout ce qui s'y rattache
Avatar de l’utilisateur
alka
Administrateur du site
Messages : 3099
Enregistré le : mer. 15 juil. 2015 15:18
Localisation : 92
Contact :

Re: Ampli TPAiy [Classe-D TPA3251D2 ou 3255D2]

Messagepar alka » jeu. 3 nov. 2016 22:07

thierryvalk a écrit :Elle vient d'où cette citation de TI ?

de ce sujet il y a quelques mois :mrgreen:


gogle me dit ici sans doute : https://e2e.ti.com/support/amplifiers/a ... 32/1977105
Image

et deux posts plus loin, ca parle de PFFB (le 21 sept 2015. ca a mis du temps a sortir cette affaire !)

Avatar de l’utilisateur
thierryvalk
Administrateur du site
Messages : 3798
Enregistré le : jeu. 9 juil. 2015 20:08
Localisation : Belgique

Re: Ampli TPAiy [Classe-D TPA3251D2 ou 3255D2]

Messagepar thierryvalk » jeu. 3 nov. 2016 22:23

Pas très commenté cette affaire.
Moi, je vois 10 ou 47 nF pour du BTL et 470nF pour du SE.
C'est bien d'avoir toujours moins, mais a un moment ça fume. C'est tout de même une capa qui sert avant tout aux conditions de démarrage.

Avatar de l’utilisateur
alka
Administrateur du site
Messages : 3099
Enregistré le : mer. 15 juil. 2015 15:18
Localisation : 92
Contact :

Re: Ampli TPAiy [Classe-D TPA3251D2 ou 3255D2]

Messagepar alka » jeu. 3 nov. 2016 22:44

sur diyaudio ils mettent 1µ en BTL.
T'essaiera sur le proto.

Si tu veux une mesure faite par TI le 22/09/2015 (quelle concordance de dates!). Différence de disto H2 entre 100n et 570n. en BTL 4ohm avec TPA3251
Image

D'ailleurs c'est écrit là : 100n par défaut sur l'EVM et 570n en SE. Comment c'est passé à 10n sur le schéma ?

Avatar de l’utilisateur
thierryvalk
Administrateur du site
Messages : 3798
Enregistré le : jeu. 9 juil. 2015 20:08
Localisation : Belgique

Re: Ampli TPAiy [Classe-D TPA3251D2 ou 3255D2]

Messagepar thierryvalk » ven. 4 nov. 2016 08:54

Si sur diyaudio ils mettent 1µ, on en mettra 10. :hehe:

Revoyons la chose depuis le début et tâchons de comprendre. (ce que je vais tenter de faire, mais je peux me tromper)

Extraits du datasheet :
http://www.ti.com/lit/ds/symlink/tpa3255.pdf
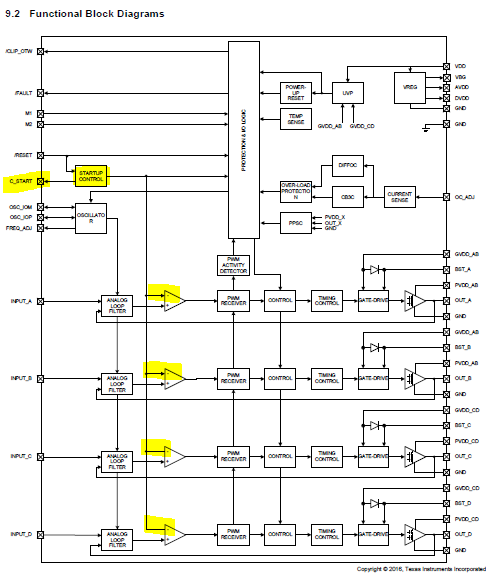
Le schéma bloc
tpa1.PNG

Au vu de l'explication donnée par Alain, on pourrait croire que cette capa est une capa de filtrage qui influence le temps de démarrage du même style que la capa supplémentaire sur un régulateur low-noise.
Le schéma bloc montre que non. Cette capa met en Mute l'analogique et, peut être un détail, en plein dans la contre-réaction.

Elle influence la réjection de l'alimentation, ok quelle alimentation ? PVDD ? je doute très fort.
Je dirais AVDD et encore, je dirais quelle influence le signal et peut y créer du bruit ou diminuer des résidus de AVDD.

Vu le nom de cette capa, on va voir la séquence de démarrage :
tpa2.PNG

A noter que TI dit qu'il n'y a pas de séquence particulière a avoir, mais donne ce timing. :0 Et ne dit pas s'il est pour du SE ou BTL.
V_Cstart n'est pas repris dans la datasheet du TPA3251 et VOUT_X y monte de manière linéaire.


Vu que la capa s'appelle C_Start, on pense directement à V_CSTART.
Pour moi c'est pas certain à 100% et pas vraiment clair : qui détermine tPrecharge ?

Reprenons depuis le début, PVDD se met ON, les autres alim aussi (chez nous avec un léger retard vu le temps de démarrage du DC/DC).
Le µC force le Reset le temps que ces alims soient stables.
Le µC lâche le Reset ce qui a pour effet de mettre On le régulateur interne AVDD.
On voit sur Vin une charge de capa, ce sont les capas de DC-blocking sur le signal qui montent à Vbias. Là enfin, pour moi, il y a une différence entre SE et BTL, en SE il y a une capa de sortie qui devra aussi monter à PVDD/2. Edit en relisant, bêtise vu que cette capa ne se chargera que lorsque la PWM sera présente.

Après tPrecharge la PWM se met en activité sur OUTx. On suppose qu'il n'y a pas de signal audio en entrée donc PWM à 50%.
Il est donc normal que VOUT_X change, il devrait passer de 0V à PVDD/2.

Alors cette rampe?
Voudrait dire qu'après tPrecharge, AVDD via une résistance est appliqué à la ligne C_Start ?
Possible, PWM RECEIVER passerait de 0% (pas de PWM) à 50%.
Dans ce cas tPrecharge est déterminer par le temps de charge des capas de bootstrap (+- dit dans la datasheet) qui actionnent UVP (Under Voltage).
Mais dans ce cas le schéma bloc n'est pas juste vu qu'il n'y a pas de flèche allant vers Startup Control.

Second hypothèse, V_CStart commencerait directement lors de l'établissement de AVDD ?
C'est plus en phase avec le schéma bloc, faudrait voir ce qui se passe au niveau de la contre réaction dans les 2 cas.
Si c'est ce cas la capa détermine tPrecharge + tStartup dans la condition que UVP soit relâcher avant ce délai. (une capa de bootstrap se charge normalement très vite, il faut juste que le transistor du bas soit ON pour le permettre)

Pour conclure :modo:
En SE cette capa doit être importante pour compenser le temps de charge de la capa de sortie.
En BTL, elle pourrait être de la même valeur ?
Oui si les 2 amplis se comportent de la même manière pour passer de 0V à PVDD en sortie, sinon c'est ploc.
Ce serait une raison pour cette faible valeur en BTL.

Autre raison possible, cette capa a un impact sur le signal, une grosse capa= X7R et donc effet piézo alors qu'une petite est en NPO. (mais là c'est pas conforme à TI vu que cette capa de 10nF est en X7R dans la BOM de la carte d'évaluation).

Je suis donc toujours douteux et dirais que l'on a pris le luxe de régulateurs de course, alors vouloir une bonne réjection sur une alim qui ne fournis pas de bruit ?
Il faut aussi voir comment le démarrage se passe s'il y a du signal audio en entrée.

Avatar de l’utilisateur
alka
Administrateur du site
Messages : 3099
Enregistré le : mer. 15 juil. 2015 15:18
Localisation : 92
Contact :

Re: Ampli TPAiy [Classe-D TPA3251D2 ou 3255D2]

Messagepar alka » ven. 4 nov. 2016 09:23

waow... ca c'est de l'analyse :)
je suis d'accord , Cstart est décrit uniquement pour son effet au démarrage (comme son nom l'indique d'ailleurs).

il y a eu la même surprise sceptique sur diyaudio quand le sujet est sorti. De façon qui a été reconnue par TI sans être expliquée comme tu tentes de le faire, augmenter Cstart a un effet collatéral d'améliorer la distorsion H2 dans les basses fréquences. cf la mesure ci-dessus dont TI attribue le bénéfice à une PSRR améliorée.
C'est un gars de TI qui a dit que en BTL on pouvait monter jusqu'à 1µF avec TPA3251. Donc ils n'ont pas hésité.

AMHA, 10n est un minimum qui peut etre nécessaire dans certaines applications. Pour nous, viser entre 220n et 6800n est raisonnable. Ca ne coute rien et améliore sans risque.

Et puis, il faut bien que tu aies des choses a faire sur le proto. Tu pourras essayer différentes valeurs avec différentes alims pour bien voir si ça vient d'une meilleure PSRR.
A moins que nos super régulateurs ne masquent tout.

Avatar de l’utilisateur
thierryvalk
Administrateur du site
Messages : 3798
Enregistré le : jeu. 9 juil. 2015 20:08
Localisation : Belgique

Re: Ampli TPAiy [Classe-D TPA3251D2 ou 3255D2]

Messagepar thierryvalk » ven. 4 nov. 2016 09:25

C'est vendredi ou je vois mal ? :ghee:

Sur la courbe donnée par Alka, à 1kHz on aurait plus de disto avec 570nF qu'avec 100nF à 1kHz (de 400Hz à 1.2kHz)

Avatar de l’utilisateur
thierryvalk
Administrateur du site
Messages : 3798
Enregistré le : jeu. 9 juil. 2015 20:08
Localisation : Belgique

Re: Ampli TPAiy [Classe-D TPA3251D2 ou 3255D2]

Messagepar thierryvalk » ven. 4 nov. 2016 09:31

Et bien non, c'est pas sans risque.
les conditions de démarrage de ce genre de circuit peut devenir très complexe et avoir des effets destructeurs.
Que se passe-t'il avec du signal ?
Que se passe-t'il si PVDD se coupe alors que la séquence de démarrage n'est pas terminée ?

Lorsque l'on fait une production, les tests de Power-on sont très importants et l'on teste pendant des heures toutes les combinaisons et timings différents.
Ce sont des tests "destructeurs".

Nous on va faire quelques cartes, pas envie de claquer un TPA en jouant et encore moins avoir des problèmes une fois l'ampli en place.
Donc oui, il y aura des tests, mais pas destructeurs d'où l'idée de faire confiance aux schémas de TI.

Avatar de l’utilisateur
alka
Administrateur du site
Messages : 3099
Enregistré le : mer. 15 juil. 2015 15:18
Localisation : 92
Contact :

Re: Ampli TPAiy [Classe-D TPA3251D2 ou 3255D2]

Messagepar alka » ven. 4 nov. 2016 09:54

plus de disto à 1kHz sur cette mesure, oui mais on est entre 0,0001 et 0,0002%. Alors que la différence à 200Hz c'est x10.

et pis si t'es pas d'accord, plains toi à TI pas à moi ;)
Ce sont eux qui disent et qui écrivent des choses contradictoires dans les datasheets et leurs commentaires. Don't shoot the messenger ::d

Avatar de l’utilisateur
thierryvalk
Administrateur du site
Messages : 3798
Enregistré le : jeu. 9 juil. 2015 20:08
Localisation : Belgique

Re: Ampli TPAiy [Classe-D TPA3251D2 ou 3255D2]

Messagepar thierryvalk » ven. 4 nov. 2016 10:09

plus de disto à 1kHz sur cette mesure, oui mais on est entre 0,0001 et 0,0002%. Alors que la différence à 200Hz c'est x10.

8/ c'est devenu linaire maintenant ?

Pas très sérieux cette histoire et je ne me plain pas à TI car c'est toi qui a trouvé des infos pas fiables, veilles et même pas sur le même IC que l'on va utiliser. :frime:


Puis, on n'est pas sur Diyaudio, ici on parle en Français ! :contrac:

Avatar de l’utilisateur
alka
Administrateur du site
Messages : 3099
Enregistré le : mer. 15 juil. 2015 15:18
Localisation : 92
Contact :

Re: Ampli TPAiy [Classe-D TPA3251D2 ou 3255D2]

Messagepar alka » ven. 4 nov. 2016 14:17

ah la mauvaise foi.... t'as pas honte :mrgreen:

je peux écrire une fois en allemand, langue officielle "ici" ;)

Avatar de l’utilisateur
thierryvalk
Administrateur du site
Messages : 3798
Enregistré le : jeu. 9 juil. 2015 20:08
Localisation : Belgique

Re: Ampli TPAiy [Classe-D TPA3251D2 ou 3255D2]

Messagepar thierryvalk » ven. 4 nov. 2016 15:53

Et tu penses sérieusement que c'est aussi simple ? :nono:

Bon j'ai reçu la majorité des composants, je vais un peu tout vérifier puis dans 2 ou 3 jours passer commande de PCB.

Questions pour avis.
Je fais faire un seul PCB proto ou plus ?
Un PCB puis une petite série coute plus cher, mais en cas de boulette moins. :]
J'ai des composants +- pour 10 pièces, pour ma part ce sera 5 ou 6 amplis avec un mix de TPA3251 et TPA3255.

Autre question technique, 35µ ou 70µ d'épaisseur.
Normalement vu que circuit de puissance 70µ. Mais l'expérience m'a montré que le 70µ c'est "fini" et que l'on se fait en général avoir sur l'épaisseur réelle.
En 35 aussi par moment, il n'y a pas de petites économies.

Je suis en train de rajouter des lignes dans le vernis épargne, on y gagne en épaisseur vu que l'on passe en "fini" avec l’étamage.
Si nécessaire, on pourrait alors proprement y souder des fils rigides de faible section ce qui au final est bien plus efficace.

androuski
Messages : 983
Enregistré le : ven. 10 juil. 2015 12:48

Re: Ampli TPAiy [Classe-D TPA3251D2 ou 3255D2]

Messagepar androuski » ven. 4 nov. 2016 21:32

Pas mal l'astuce des lignes, j'ai jamais réussi à faire ça sous Kicad.

Avatar de l’utilisateur
thierryvalk
Administrateur du site
Messages : 3798
Enregistré le : jeu. 9 juil. 2015 20:08
Localisation : Belgique

Re: Ampli TPAiy [Classe-D TPA3251D2 ou 3255D2]

Messagepar thierryvalk » ven. 4 nov. 2016 22:49

C'est classique. Sous Protel le vernis épargne est un Layer comme les autres et donc on y dessine ce que l'on veut.

androuski
Messages : 983
Enregistré le : ven. 10 juil. 2015 12:48

Re: Ampli TPAiy [Classe-D TPA3251D2 ou 3255D2]

Messagepar androuski » ven. 4 nov. 2016 23:14

Ça doit être le cas sur kicad aussi mais je n'ai jamais cherché je regarderai ça demain

Avatar de l’utilisateur
thierryvalk
Administrateur du site
Messages : 3798
Enregistré le : jeu. 9 juil. 2015 20:08
Localisation : Belgique

Re: Ampli TPAiy [Classe-D TPA3251D2 ou 3255D2]

Messagepar thierryvalk » mar. 8 nov. 2016 10:10

PCBs commandés.
J'ai testé PCBWAY.
Pour ceux qui comme moi n'aiment pas Paypal, il est possible de payer via son compte Aliexpress.
Total 10 PCB en 70µ + Stencil en livraison DHL : 116.78€

Avatar de l’utilisateur
alka
Administrateur du site
Messages : 3099
Enregistré le : mer. 15 juil. 2015 15:18
Localisation : 92
Contact :

Re: Ampli TPAiy [Classe-D TPA3251D2 ou 3255D2]

Messagepar alka » mar. 8 nov. 2016 19:08

c'est parti ! et t'auras même pas le plaisir d'attendre la longue livraison par la poste ;)

un délai annoncé ?

androuski
Messages : 983
Enregistré le : ven. 10 juil. 2015 12:48

Re: Ampli TPAiy [Classe-D TPA3251D2 ou 3255D2]

Messagepar androuski » mar. 8 nov. 2016 19:44

Ca y est t'es parti chez les chinois ? :hehe:

Avatar de l’utilisateur
thierryvalk
Administrateur du site
Messages : 3798
Enregistré le : jeu. 9 juil. 2015 20:08
Localisation : Belgique

Re: Ampli TPAiy [Classe-D TPA3251D2 ou 3255D2]

Messagepar thierryvalk » mar. 8 nov. 2016 20:02

Le délais et de 3 à 4 jours + transport, donc début de semaine prochaine sauf problème DHL en Belgique.

Je suis toujours parti du principe que chacun a son métier.
Et même pour produire en Chine, un partenaire local a son utilité : logistique, résolution des problèmes et moins de temps "perdu".

Mais force de constater que ce n'est plus trop le cas dans certains domaines et payer plus pour moins de services c'est pas top.


Retourner vers « DSPiy général »

Qui est en ligne

Utilisateurs parcourant ce forum : Baidu [Spider] et 8 invités